客户服务电话:

022-22817778

产品中心

热门关键词:PEF保温棉,PEF保温棉厂家,PEF保温棉生产厂家

您的位置: 主页>>企业资质>

企业资质

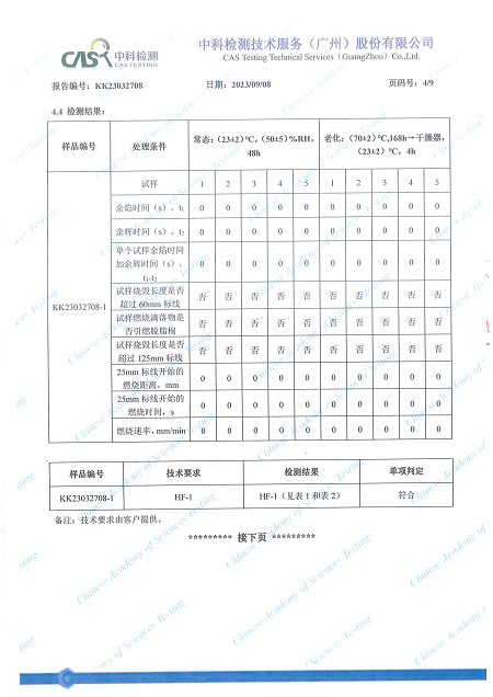
中科检测技术服务(广州)股份有限公司   PEF 聚乙烯保温材料 检测报告




联系我们

全国统一客户服务电话:022-22817778

业务电话:16760227888

邮箱:rongxinhuida@163.com

官网:www.rongxinhuida.com

公司地址:天津市河西区珠江道65号C20栋

生产地址:深圳市宝安区沙井街道第二工业区

Copyright©天津荣信汇大新材料有限公司

备案号:津ICP备2023001490号-1

免责声明:素材来源网络,相关版权归版权持有人所有,如有侵权,请及时告知,联系删除!

Top